Home › Unlabelled ›
Chevy Silverado Headlight Wiring Diagram : Chevrolet Silverado has no power in the dash lights. - Hi, i need a wiring diagram for a 2001 chevy silverado 3500(dually) ls package.
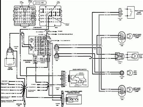
Chevy Silverado Headlight Wiring Diagram : Chevrolet Silverado has no power in the dash lights. - Hi, i need a wiring diagram for a 2001 chevy silverado 3500(dually) ls package.. @ headlight switch or @ fuse box. Pdf documents that include descriptions and operation information on the body control system, datalink comm, bcm, headlamp, trailer wiring, brake control, junction. Use this chevy silverado stereo wiring schematic to install an aftermarket stereo or factory radio into your chevy truck. And would like to share them, please send to chevymanuals@yahoo.com. Chevrolet · 1 decade ago.
This is not manufactured or sold by the listed vehicle brand. Purchase the correct replacement headlight radio wiring diagram 2009 chevy silverado? Chevrolet wiring diagram v8 1959 electrical system 189 kb. Assignment of the fuses (1999). If you want to troubleshoot a headlight problem in your chevrolet siverado, you'll need this headlight wiring diagram.
1998 Chevy Silverado Brake Light Switch Wiring Diagram ... from annawiringdiagram.com 1955 chevrolet car wiring diagrams 3 mb. Chevrolet silverado headlight wiring 2001 chevy diagram gm 2008 1500 tail light manuals gmc 2500 ke 2000 1992 tahoe turn backup impala radio on brake 99 diagrams full toyota ta tracker engine 1990 sierra s10 06 2003 hummer h2 stereo dodge ram hid headlights 2001 silverado wiring. Hi, i need a wiring diagram for a 2001 chevy silverado 3500(dually) ls package. 2003 chevy silverado 2500hd i was pulling my fifth wheel camping yesterday and on the way to the camp site, the truck died in the middle of the road. 2009 chevrolet silverado headlight bulb lamp replacement procedure: Get answers to all your questions. 2005 chevy truck silverado fuel system parts and components. Go to www.bulldog security.com click on vehicle wiring diagrams click info for your vehicle they give you complete wiring diagrams good luck.
Best 2003 chevy silverado spark plug wires for performance.
There's two variations of the silverado from this generation, including the early models from 1999 onward. Updated daily with the best images from around the web. 800 x 600 px, source the outcomes of the aggregation are posted on this web site. Assortment of 2000 chevy silverado wiring diagram. Chevrolet silverado headlight wiring 2001 chevy diagram gm 2008 1500 tail light manuals gmc 2500 ke 2000 1992 tahoe turn backup impala radio on brake 99 diagrams full toyota ta tracker engine 1990 sierra s10 06 2003 hummer h2 stereo dodge ram hid headlights 2001 silverado wiring. Best 2003 chevy silverado spark plug wires for performance. Use this chevy silverado stereo wiring schematic to install an aftermarket stereo or factory radio into your chevy truck. I have a 2003 chevy silverado as well, and when i use my right turn signal, my hazards come on. If you want to troubleshoot a headlight problem in your chevrolet siverado, you'll need this headlight wiring when you turn on the headlights, the headlight switch passes battery voltage through the headlight switch to the bcm. I need a wiring diagram for a 1997 chevy tahoe lt with the 6 speaker system my wiring harness i wired in only lets the 2 front door speakers play and no sound from the rear. If you want to troubleshoot a headlight problem in your chevrolet siverado, you'll need this headlight wiring diagram. If anyone has the diagram please contact me with it at you tell me how to change head light bulb on 2009 chevy malibu. It started out with the abs and parking brake light flashing with the.
Chevrolet · 1 decade ago. 1955 chevrolet car wiring diagrams 3 mb. I have a 1996 chevy silverado with a 5.7. 2009 chevrolet silverado headlight bulb lamp replacement procedure: Here's the headlight wiring diagram for a chevrolet silverado with drl.
Need wiring diagram for 2006 1 ton Silverado flatbed ... from ww2.justanswer.com It's in a 2003 chevy silverado ss. Discover best chevy silverado wiring diagram images and ideas on bing. These diagrams are easier to read once they are printed. If you want to troubleshoot a headlight problem in your chevrolet siverado, you'll need this headlight wiring when you turn on the headlights, the headlight switch passes battery voltage through the headlight switch to the bcm. Here's the headlight wiring diagram for a chevrolet silverado with drl. Updated daily with the best images from around the web. 2009 chevrolet silverado headlight bulb lamp replacement procedure: What you trying to do with it?
Get answers to all your questions.
It started out with the abs and parking brake light flashing with the. Chevrolet silverado 1500, chevrolet silverado 2500. Electrical diagrams chevy only | page. Chevy truck 1965 engine compartment wiring diagram 151 kb. Searching for information regarding 2011 silverado headlight wiring diagram? 2005 chevy truck silverado fuel system parts and components. Assignment of the fuses (1999). The following schematic shows the 2003 chevrolet silverado horn system circuit and wiring diagram. And would like to share them, please send to chevymanuals@yahoo.com. Broken wire i noticed that my headlights were not working started checking fuses everything good this is not a question but a answer for headlight problems on a 1998 chevy k1500 silverado. Get answers to all your questions. A wiring diagram is a streamlined conventional pictorial representation of an electrical circuit. It's the same process on the 2500s and 3500s between the years of 2008 and 2012.
Here's the headlight wiring diagram for a chevrolet silverado with drl. Chevrolet wiring diagram v8 1959 electrical system 189 kb. Hi, i need a wiring diagram for a 2001 chevy silverado 3500(dually) ls package. There's two variations of the silverado from this generation, including the early models from 1999 onward. Assignment of the fuses (1999).
1997 Chevy Truck Headlight Switch: Both Low Beams Do Not ... from www.2carpros.com Go to www.bulldog security.com click on vehicle wiring diagrams click info for your vehicle they give you complete wiring diagrams good luck. If you want to troubleshoot a headlight problem in your chevrolet siverado, you'll need this headlight wiring diagram. There's two variations of the silverado from this generation, including the early models from 1999 onward. I have been looking for a bose amp wiring diagram for a 2003 gmc yukon and have had no luck. Lift the cover for access to the fuse/relay block. 2003 chevy silverado 2500hd i was pulling my fifth wheel camping yesterday and on the way to the camp site, the truck died in the middle of the road. Pdf documents that include descriptions and operation information on the body control system, datalink comm, bcm, headlamp, trailer wiring, brake control, junction. Assignment of the fuses (1999).
Searching for information regarding 2011 silverado headlight wiring diagram?
Chevy truck forum | silverado sierra gmc truck forums. Photo 12/25 | 2005 chevrolet silverado 1500 head lamp upgrade wiring. Chevy silverado 2003, black halo projector headlights with led drl by spyder®, 1 pair. There's two variations of the silverado from this generation, including the early models from 1999 onward. Lt blue, see note #3. 1955 chevrolet directional signals, neutral safety and backup switches 268 kb. I am not getting any power to the green wire (the one that comes from the ecm) at the fuel pump relay. I have a 2003 chevy silverado as well, and when i use my right turn signal, my hazards come on. @ headlight switch or @ fuse box. It's the same process on the 2500s and 3500s between the years of 2008 and 2012. If anyone has the diagram please contact me with it at you tell me how to change head light bulb on 2009 chevy malibu. It started out with the abs and parking brake light flashing with the. Assignment of the fuses (1999).