Chevy Wiring Diagrams Pdf / Chevy S10 Wiring Schematic / Including lighting, engine, stereo, hvac wiring wiring diagrams.. 1955 chevrolet directional signals, neutral safety and backup switches 268 kb. This is not an automated service. Lacetti scheme of starting the engine and charging the battery. International trucks service manuals pdf, workshop manuals, wiring diagrams, schematics circuit diagrams, fault codes and trouble codes free download. Gahi's diagram is the correct way to wire a gm 10si/12si, and utilize all the benefits of that great design.

Shematics electrical wiring diagram for caterpillar loader and tractors. And would like to share them, please send to chevymanuals@yahoo.com. 24 chevrolet car wiring diagrams. These will not contain any optional, or accessory wiring info. 1955 chevrolet car wiring diagrams 3 mb.

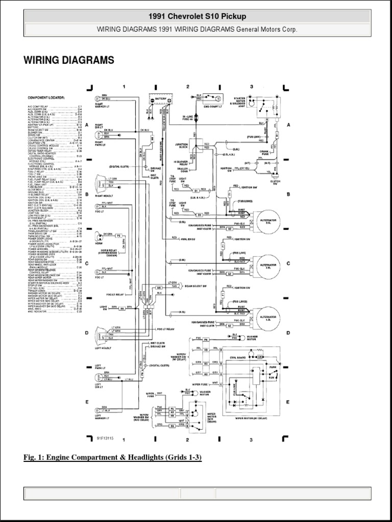
1996 Chevy 1500 Wiring Diagram Pdf Wiring Diagram Book Rub Link Rub Link Prolocoisoletremiti It
1996 Chevy 1500 Wiring Diagram Pdf Wiring Diagram Book Rub Link Rub Link Prolocoisoletremiti It from repairguide.autozone.com
Chevy truck 1965 engine compartment wiring diagram 151 kb. The output and sensor wire (#2) should go to the main power distribution location, as shown, not to the battery. These will not contain any optional, or accessory wiring info. Here are the 1968 to 1982 corvette wiring diagrams, base models only. Free repair manuals & wiring diagrams. 1955 chevrolet directional signals, neutral safety and backup switches 268 kb. S10 wiring diagram pdf inspirational | wiring diagram image. Including lighting, engine, stereo, hvac wiring wiring diagrams.

24 chevrolet car wiring diagrams.

1955 chevrolet car wiring diagrams 3 mb. Chevrolet service and repair manuals. Hey guys, i just bought a 6.0l l96 & 6l90e combo out of a 2016 chevy express van. Free download workshop manuals for chevrolet cars, repair and maintenance, wiring diagrams, schematics diagrams, fault codes. It has the new e78 ecm and i'm having trouble finding any pinouts / wiring diagrams to thin out the factory harness. Lacetti ignition switch circuit diagram. 2007 rav4 electrical wiring diagrams. Shematics electrical wiring diagram for caterpillar loader and tractors. Wiring diagrams, spare parts catalogue, fault codes free download. 24 chevrolet car wiring diagrams. What is electrical wiring diagram: Chevrolet service manuals pdf, workshop manuals, repair manuals, spare parts catalog, fault codes and wiring diagrams free download! Including lighting, engine, stereo, hvac wiring wiring diagrams.

Chevrolet service manuals pdf, workshop manuals, repair manuals, spare parts catalog, fault codes and wiring diagrams free download! This is not an automated service. Free repair manuals & wiring diagrams. Hi, i need a wiring diagram for a 2001 chevy silverado 3500(dually) ls package. Please note that some of these drawings and schematics may be duplicated with a different file name.

69bc7 67 Chevy Column Wiring Schematic Wiring Resources
69bc7 67 Chevy Column Wiring Schematic Wiring Resources from mainetreasurechest.com
Chevy truck 1965 engine compartment wiring diagram 151 kb. The output and sensor wire (#2) should go to the main power distribution location, as shown, not to the battery. Hi, i need a wiring diagram for a 2001 chevy silverado 3500(dually) ls package. Chevrolet service and repair manuals. Free download workshop manuals for chevrolet cars, repair and maintenance, wiring diagrams, schematics diagrams, fault codes. S10 wiring diagram pdf inspirational | wiring diagram image. Chevrolet cruze additional relay compartment in engine box. Carmanualshub.com automotive pdf manuals, wiring diagrams, fault codes, reviews, car manuals and news!

Chevy truck 1965 engine compartment wiring diagram 151 kb.

S10 wiring diagram pdf inspirational | wiring diagram image. The #2 wire ensures the 14.4 or so output is fed to the entire system, eliminating. Does anyone have any idea where to. 1955 chevrolet car wiring diagrams 3 mb. Hi, i need a wiring diagram for a 2001 chevy silverado 3500(dually) ls package. These will not contain any optional, or accessory wiring info. Chevrolet service manuals pdf, workshop manuals, repair manuals, spare parts catalog, fault codes and wiring diagrams free download! Free wiring diagrams for your car or truck. Pdf drive investigated dozens of problems and listed the biggest global issues facing the world today. Including lighting, engine, stereo, hvac wiring wiring diagrams. And would like to share them, please send to chevymanuals@yahoo.com. Wiring diagrams, spare parts catalogue, fault codes free download. What is electrical wiring diagram:

And would like to share them, please send to chevymanuals@yahoo.com. Chevrolet wiring diagram v8 1959 electrical system 189 kb. Including lighting, engine, stereo, hvac wiring wiring diagrams. S10 wiring diagram pdf inspirational | wiring diagram image. This typical circuit diagram of the ignition coil, ignition control module, camshaft and crankshaft position sensors applies to the 1996, 1997, 1998, 1999 chevrolet/gmc 1500, 2500, and 3500 pick ups equipped with a 4.3l v6, or a 5.0l v8, or a 5.8l v8 engine.

1978 Corvette Wiring Diagram Pdf Cool Wiring Diagram Van Pro Van Pro Profumiamore It
1978 Corvette Wiring Diagram Pdf Cool Wiring Diagram Van Pro Van Pro Profumiamore It from www.novareference.com
I've looked at other 2001 silverado diagrams but they don't match the color code for mine. Chevrolet workshop manuals, chevrolet owners manuals, chevrolet wiring diagrams click on your chevrolet car below, for example the other model. What is electrical wiring diagram: Automobile chevrolet 1967 chevelle service manual. Associated wiring diagrams for the cruise control system of a 1990 honda civic. These diagrams are easier to read once they are printed. On the next page select the specific pdf that you want to access. Including lighting, engine, stereo, hvac wiring wiring diagrams.

Gahi's diagram is the correct way to wire a gm 10si/12si, and utilize all the benefits of that great design.

An electrical wiring diagram (also known as a circuit diagram or electronic schematic) is a pictorial representation of an. 24 chevrolet car wiring diagrams. I've looked at other 2001 silverado diagrams but they don't match the color code for mine. Chevrolet wiring diagram v8 1959 electrical system 189 kb. Free repair manuals & wiring diagrams. Chevrolet cruze additional relay compartment in engine box. Pdf drive investigated dozens of problems and listed the biggest global issues facing the world today. Carmanualshub.com automotive pdf manuals, wiring diagrams, fault codes, reviews, car manuals and news! Wiring diagrams, spare parts catalogue, fault codes free download. Here are the 1968 to 1982 corvette wiring diagrams, base models only. On the next page select the specific pdf that you want to access. International trucks service manuals pdf, workshop manuals, wiring diagrams, schematics circuit diagrams, fault codes and trouble codes free download. Lacetti scheme of starting the engine and charging the battery.

By