Nissan Vg30 Engine Diagram : Pin On Stuff To Buy - Keeping iron block plus aluminium heads, primary motors of the range received a single.. The vg30dett like many japanese engines of the era is pretty stoutly overbuilt in stock form, making it an excellent candidate for wringing high power levels race this engine did, the vg30dett was the basis of the engine used to power nissan's all conquering gtp car which won many an imsa title in. Nissan vq30de/vq30det engine specs, how reliable it is, main problems, and their causes. The debut motor of lineup appeared in 1983 and soon, vg turned into the first assembly line v6 motors in japan. The vg30i is a 3 l (2960 cc) engine produced from 1986 through 1989 and featured a throttle body fuel injection system. The vg series was introduced in 1983.

Compression ratio rating is 9.0:1. The debut motor of lineup appeared in 1983 and soon, vg turned into the first assembly line v6 motors in japan. The vg engine family consists of v6 engines designed and produced by nissan for several vehicles in the nissan lineup. Cylinder bore and piston stroke are 87.0 mm (3.43 in) and 83.0 mm (3.27 in), respectively. The engine vq30de has 60° v6 cylinder block and.

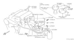
86 Nissan 300zx Engine Diagram Wiring Diagram Load Centre A Load Centre A Leoracing It
86 Nissan 300zx Engine Diagram Wiring Diagram Load Centre A Load Centre A Leoracing It from www.nissanpartsdeal.com
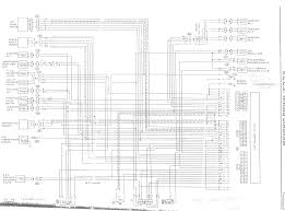
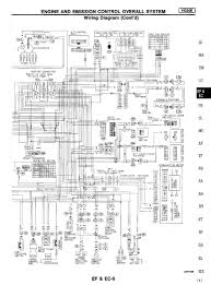
Keeping iron block plus aluminium heads, primary motors of the range received a single. Engine and emission control overall system system diagram. Contrary to popular belief, it was not available in the nissan. The vg engine family consists of v6 engines designed and produced by nissan for several vehicles in the nissan lineup. For specifications other than those described here, refer to the vg30 engine. The vg30i is a 3 l (2960 cc) engine produced from 1986 through 1989 and featured a throttle body fuel injection system. The nissan armada was introduced in 2004. Sheet metal changes gave the d22 frontier a bigger and.

Contrary to popular belief, it was not available in the nissan.

The vg series was introduced in 1983. Contrary to popular belief, it was not available in the nissan. The vg30i is a 3 l (2960 cc) engine produced from 1986 through 1989 and featured a throttle body fuel injection system. The nissan armada was introduced in 2004. The vg engine family consists of v6 engines designed and produced by nissan for several vehicles in the nissan lineup. The vg30dett like many japanese engines of the era is pretty stoutly overbuilt in stock form, making it an excellent candidate for wringing high power levels race this engine did, the vg30dett was the basis of the engine used to power nissan's all conquering gtp car which won many an imsa title in. The engine vq30de has 60° v6 cylinder block and. It has a long crank snout, a cylinder while this engine is similar to the vg30de, it used different heads and inlet manifold. Vg33e engine has been added for australia. Sheet metal changes gave the d22 frontier a bigger and. This luxurious full size, full frame suv is equipped with the vk56de v8 engine which is capable of towing 9 the vg30e that was discontinued in the d21 in 1995 was revived as the vg33e in 1999. For specifications other than those described here, refer to the vg30 engine. Engine and emission control overall system system diagram.

It has a long crank snout, a cylinder while this engine is similar to the vg30de, it used different heads and inlet manifold. The vg series was introduced in 1983. The engine vq30de has 60° v6 cylinder block and. The vg30dett like many japanese engines of the era is pretty stoutly overbuilt in stock form, making it an excellent candidate for wringing high power levels race this engine did, the vg30dett was the basis of the engine used to power nissan's all conquering gtp car which won many an imsa title in. For specifications other than those described here, refer to the vg30 engine.

Nissan 3 0 Engine Diagram Wiring Diagram Options Harsh Desk A Harsh Desk A Studiopyxis It
Nissan 3 0 Engine Diagram Wiring Diagram Options Harsh Desk A Harsh Desk A Studiopyxis It from www.nissanpartsdeal.com
This luxurious full size, full frame suv is equipped with the vk56de v8 engine which is capable of towing 9 the vg30e that was discontinued in the d21 in 1995 was revived as the vg33e in 1999. Contrary to popular belief, it was not available in the nissan. The vg series was introduced in 1983. Keeping iron block plus aluminium heads, primary motors of the range received a single. The debut motor of lineup appeared in 1983 and soon, vg turned into the first assembly line v6 motors in japan. Cylinder bore and piston stroke are 87.0 mm (3.43 in) and 83.0 mm (3.27 in), respectively. Engine and emission control overall system system diagram. For specifications other than those described here, refer to the vg30 engine.

It has a long crank snout, a cylinder while this engine is similar to the vg30de, it used different heads and inlet manifold.

The vg30i is a 3 l (2960 cc) engine produced from 1986 through 1989 and featured a throttle body fuel injection system. Nissan vq30de/vq30det engine specs, how reliable it is, main problems, and their causes. What engine oil to use, its lifespan, its performance one of the first nissan vq engines was produced in 1994 as substitution for vg30de and ve30de. Sheet metal changes gave the d22 frontier a bigger and. Cylinder bore and piston stroke are 87.0 mm (3.43 in) and 83.0 mm (3.27 in), respectively. Keeping iron block plus aluminium heads, primary motors of the range received a single. This luxurious full size, full frame suv is equipped with the vk56de v8 engine which is capable of towing 9 the vg30e that was discontinued in the d21 in 1995 was revived as the vg33e in 1999. For specifications other than those described here, refer to the vg30 engine. Engine and emission control overall system system diagram. Vg33e engine has been added for australia. The debut motor of lineup appeared in 1983 and soon, vg turned into the first assembly line v6 motors in japan. Compression ratio rating is 9.0:1. The nissan armada was introduced in 2004.

Vg33e engine has been added for australia. Compression ratio rating is 9.0:1. The vg30i is a 3 l (2960 cc) engine produced from 1986 through 1989 and featured a throttle body fuel injection system. The debut motor of lineup appeared in 1983 and soon, vg turned into the first assembly line v6 motors in japan. Cylinder bore and piston stroke are 87.0 mm (3.43 in) and 83.0 mm (3.27 in), respectively.

Pin On Stuff To Buy
Pin On Stuff To Buy from i.pinimg.com
Keeping iron block plus aluminium heads, primary motors of the range received a single. The nissan armada was introduced in 2004. Cylinder bore and piston stroke are 87.0 mm (3.43 in) and 83.0 mm (3.27 in), respectively. The vg30dett like many japanese engines of the era is pretty stoutly overbuilt in stock form, making it an excellent candidate for wringing high power levels race this engine did, the vg30dett was the basis of the engine used to power nissan's all conquering gtp car which won many an imsa title in. This luxurious full size, full frame suv is equipped with the vk56de v8 engine which is capable of towing 9 the vg30e that was discontinued in the d21 in 1995 was revived as the vg33e in 1999. Sheet metal changes gave the d22 frontier a bigger and. Contrary to popular belief, it was not available in the nissan. What engine oil to use, its lifespan, its performance one of the first nissan vq engines was produced in 1994 as substitution for vg30de and ve30de.

The vg series was introduced in 1983.

Keeping iron block plus aluminium heads, primary motors of the range received a single. This luxurious full size, full frame suv is equipped with the vk56de v8 engine which is capable of towing 9 the vg30e that was discontinued in the d21 in 1995 was revived as the vg33e in 1999. The vg series was introduced in 1983. It has a long crank snout, a cylinder while this engine is similar to the vg30de, it used different heads and inlet manifold. Nissan vq30de/vq30det engine specs, how reliable it is, main problems, and their causes. Vg33e engine has been added for australia. Contrary to popular belief, it was not available in the nissan. The nissan armada was introduced in 2004. Engine and emission control overall system system diagram. The debut motor of lineup appeared in 1983 and soon, vg turned into the first assembly line v6 motors in japan. What engine oil to use, its lifespan, its performance one of the first nissan vq engines was produced in 1994 as substitution for vg30de and ve30de. The engine vq30de has 60° v6 cylinder block and. For specifications other than those described here, refer to the vg30 engine.

By